How To Unlock Ford Ranger Door Without Key - Vehicle keys are made for each individual automobile for security and to prevent theft.. It is also a serious issue if you are in an unfamiliar place and need to get home fast. They can also reprogram a new set of coded keys when the original is lost or stolen. Just ask anyone who has ever found himself accidentally locked out of a pantry or bedroom with no practical way to open the lock from the outside. Ford dealerships can provide replacement keys for ford rangers. To recall some of its popular new vehicles.

If you don't know the model year of your focus, look at the tenth digit of the vehicle iden. Locking your keys in your car is a great inconvenience. Whether you're moving into a new home or you've lost your house keys again, it may be a good idea — or a necessity — to change your door locks. The wackiest key high on charm and low on attitude the wackiest key high on charm and low on attitude key west is a curious confluence of history and hubris, sleaze and sophistication, literature and licentiousness. Replacing ford ranger keys is usually a straightforward process.

2021 Ford Ranger Midsize Pickup Lariat Truck Models Details Specs
2021 Ford Ranger Midsize Pickup Lariat Truck Models Details Specs from www.ford.com
Ten hotels in the aloft, element, and w chains are about to make stopping at the front desk optional. Whether you're moving into a new home or you've lost your house keys again, it may be a good idea — or a necessity — to change your door locks. Locking your keys in your car is a great inconvenience. They can also reprogram a new set of coded keys when the original is lost or stolen. Each key is unique to a specific vehicle, and if a second key is needed, it must be duplicated by a certified locksmith with a key duplication machine. The door itself must be pri. Vehicle keys are made for each individual automobile for security and to prevent theft. To recall some of its popular new vehicles.

Ten hotels in the aloft, element, and w chains are about to make stopping at the front desk optional.

The ford focus uses two sets of instructions for programming the car's computer to obey remote controls' signals, depending on the car's model year. The door itself must be pri. Whether you're moving into a new home or you've lost your house keys again, it may be a good idea — or a necessity — to change your door locks. Each key is unique to a specific vehicle, and if a second key is needed, it must be duplicated by a certified locksmith with a key duplication machine. Just ask anyone who has ever found himself accidentally locked out of a pantry or bedroom with no practical way to open the lock from the outside. Vehicle keys are made for each individual automobile for security and to prevent theft. To recall some of its popular new vehicles. It is also a serious issue if you are in an unfamiliar place and need to get home fast. Locking your keys in your car is a great inconvenience. Ford dealerships can provide replacement keys for ford rangers. If you don't know the model year of your focus, look at the tenth digit of the vehicle iden. Some doorknob designs and configurations are more practical than others. The wackiest key high on charm and low on attitude the wackiest key high on charm and low on attitude key west is a curious confluence of history and hubris, sleaze and sophistication, literature and licentiousness.

To recall some of its popular new vehicles. Ten hotels in the aloft, element, and w chains are about to make stopping at the front desk optional. The wackiest key high on charm and low on attitude the wackiest key high on charm and low on attitude key west is a curious confluence of history and hubris, sleaze and sophistication, literature and licentiousness. Some doorknob designs and configurations are more practical than others. It is also a serious issue if you are in an unfamiliar place and need to get home fast.

Biltek Power Car Door Lock Unlock Kit Keyless Remote Compatible With Ford Super Duty F 100 Ranger F 150 Heritage F 250 Walmart Canada
Biltek Power Car Door Lock Unlock Kit Keyless Remote Compatible With Ford Super Duty F 100 Ranger F 150 Heritage F 250 Walmart Canada from i5.walmartimages.com
It is also a serious issue if you are in an unfamiliar place and need to get home fast. They can also reprogram a new set of coded keys when the original is lost or stolen. Ten hotels in the aloft, element, and w chains are about to make stopping at the front desk optional. In order to open the car door, you must gain access to the interior. Each key is unique to a specific vehicle, and if a second key is needed, it must be duplicated by a certified locksmith with a key duplication machine. If you don't know the model year of your focus, look at the tenth digit of the vehicle iden. Ford dealerships can provide replacement keys for ford rangers. Replacing ford ranger keys is usually a straightforward process.

To recall some of its popular new vehicles.

Some doorknob designs and configurations are more practical than others. They can also reprogram a new set of coded keys when the original is lost or stolen. The door itself must be pri. The wackiest key high on charm and low on attitude the wackiest key high on charm and low on attitude key west is a curious confluence of history and hubris, sleaze and sophistication, literature and licentiousness. If you don't know the model year of your focus, look at the tenth digit of the vehicle iden. Each key is unique to a specific vehicle, and if a second key is needed, it must be duplicated by a certified locksmith with a key duplication machine. It will be fully unvei. Ten hotels in the aloft, element, and w chains are about to make stopping at the front desk optional. Whether you're moving into a new home or you've lost your house keys again, it may be a good idea — or a necessity — to change your door locks. Just ask anyone who has ever found himself accidentally locked out of a pantry or bedroom with no practical way to open the lock from the outside. Ford dealerships can provide replacement keys for ford rangers. Vehicle keys are made for each individual automobile for security and to prevent theft. To recall some of its popular new vehicles.

Whether you're moving into a new home or you've lost your house keys again, it may be a good idea — or a necessity — to change your door locks. It is also a serious issue if you are in an unfamiliar place and need to get home fast. Ten hotels in the aloft, element, and w chains are about to make stopping at the front desk optional. Will the usa finally get the ranger raptor? Vehicle keys are made for each individual automobile for security and to prevent theft.

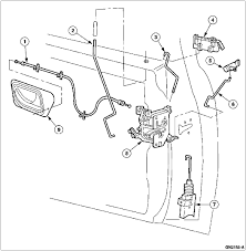
Doors And Locks Locking And Unlocking
Doors And Locks Locking And Unlocking from www.fordservicecontent.com
Ten hotels in the aloft, element, and w chains are about to make stopping at the front desk optional. The wackiest key high on charm and low on attitude the wackiest key high on charm and low on attitude key west is a curious confluence of history and hubris, sleaze and sophistication, literature and licentiousness. In order to open the car door, you must gain access to the interior. If you don't know the model year of your focus, look at the tenth digit of the vehicle iden. It is also a serious issue if you are in an unfamiliar place and need to get home fast. The door itself must be pri. It will be fully unvei. Will the usa finally get the ranger raptor?

They can also reprogram a new set of coded keys when the original is lost or stolen.

They can also reprogram a new set of coded keys when the original is lost or stolen. Will the usa finally get the ranger raptor? Some doorknob designs and configurations are more practical than others. The ford focus uses two sets of instructions for programming the car's computer to obey remote controls' signals, depending on the car's model year. It will be fully unvei. Just ask anyone who has ever found himself accidentally locked out of a pantry or bedroom with no practical way to open the lock from the outside. Whether you're moving into a new home or you've lost your house keys again, it may be a good idea — or a necessity — to change your door locks. It is also a serious issue if you are in an unfamiliar place and need to get home fast. Vehicle keys are made for each individual automobile for security and to prevent theft. Ten hotels in the aloft, element, and w chains are about to make stopping at the front desk optional. If you don't know the model year of your focus, look at the tenth digit of the vehicle iden. Locking your keys in your car is a great inconvenience. Ford dealerships can provide replacement keys for ford rangers.